Mesure hydrostatique de niveau par capteur deltaP

7 RÉPONSES https://instrumexpert.com/web/forum-topic/mesure-hydrostatique-de-niveau-par-capteur-deltap https://instrumexpert.com/web/images/default-background-actualite.jpg
Sujet

Mesure hydrostatique de niveau par capteur deltaP

il y a 14 ans
Inscrit depuis 22ans Moderator1

Moderator1 «Technicien qualité»

Message posté pour le compte du pseudo "Autoramzi"

slt à tous 

Je veux savoir quelques informations sur le transmetteur de pression pour mesurer le niveau

je veux mesurer le niveau à travers la pression hydrostatique ,le problème c'est que dans le data sheet du transmetteur à deltaP le range est de -34.8mbar jusqu'à -12.2mbar quand on fait le test sur site et le pot est rempli d'eau j'ai les résultat suivant :

quant on envoie une pression sur la HP 0mbar je lis sur le hart -34.8 mbar---->0% 11.3mbar je lis sur le hart -23.5mbar----->25% 22.6mbar je lis sur le hart -12.2mbar----->100%

mon problème c'est que d'après mes connaissances théoriques sur le transmetteur de pression différentiel qui est basé sur HP -BP je trouve des contradiction par exemple tant qu'il ya pas pression sur la HP ET LE POT EST REMPLIS NORMALEMENT j'ai HP-BP=0-(-12.2)=+12.2mbar-->0%

il y a 14 ans
Inscrit depuis 15ans henri

henri «Technicien qualité»

pour essayer de comprendre, il faut nous indiquer

la distance entre les piquages HP et BP

la densité du liquide mesurée

et la densité du liquide dans le pot

avec un petit schéma si possible si vous mesurez un niveau d'eau par exemple qui est à la même densité que le liquide dans le pot; votre transmetteur doit vous donner pour 100% de niveau 20 ma, la pression differentielle étant nulle. pour un niveau à 0% 4ma vous avez une pression differentielle max = à la hauteur manométrique entre les piquages par la densité du liquide dans le pot

il y a 14 ans
Inscrit depuis 14ans zinst1

zinst1 «Resp. instrumentation»

bonjour, regarde si tu n'es pas en piquage BP humide.
il y a 14 ans
Inscrit depuis 16ans AUTORAMZI

AUTORAMZI «Automaticien»

merci mon frère; notre fluide c'est l'eau et le même dans le pot .

mon problème c'est quand je communique avec le hart ,je lis sur le hart le minimum du range sur le hart communicator

quand j'ai pas de pression sur la HP je vois qu'il ya une contradiction avec l'aspect théorique qui dit quand le ballon est plein j'ai delta p 0 et quand le ballon est vide j'ai le max

il y a 14 ans
Inscrit depuis 21ans ckphx

ckphx «Technico-commercial»

Bonjour, Le delta P n'est pas équipé de flasques par hasard? Car si tel est le cas, le raisonnement du départ est similaire à celui exposé dans le document joint. En clair, le décallage crée en séparant les deux flasques au départ fait appuyer sur la cellule L (ro x g x h): 335mbar dans l'exemple. La DP qui en résulte est donc négative. Quand on rempli la cuve, la pression s'exerce cette fois sur H (359mbar dans l'exemple) et la DP qui en résulte est donc de +24mbar. Les variations dans ton cas sont tout à fait similaires, le raccordement de la partie L de ton transmetteur est donc rempli d'eau (DP négative) et le remplissage de la cuve tend à réduire ce décallage. Bonne analyse comparative, Cordialement,
il y a 14 ans
Inscrit depuis 22ans TNELLIUEF

TNELLIUEF «Enseignant»

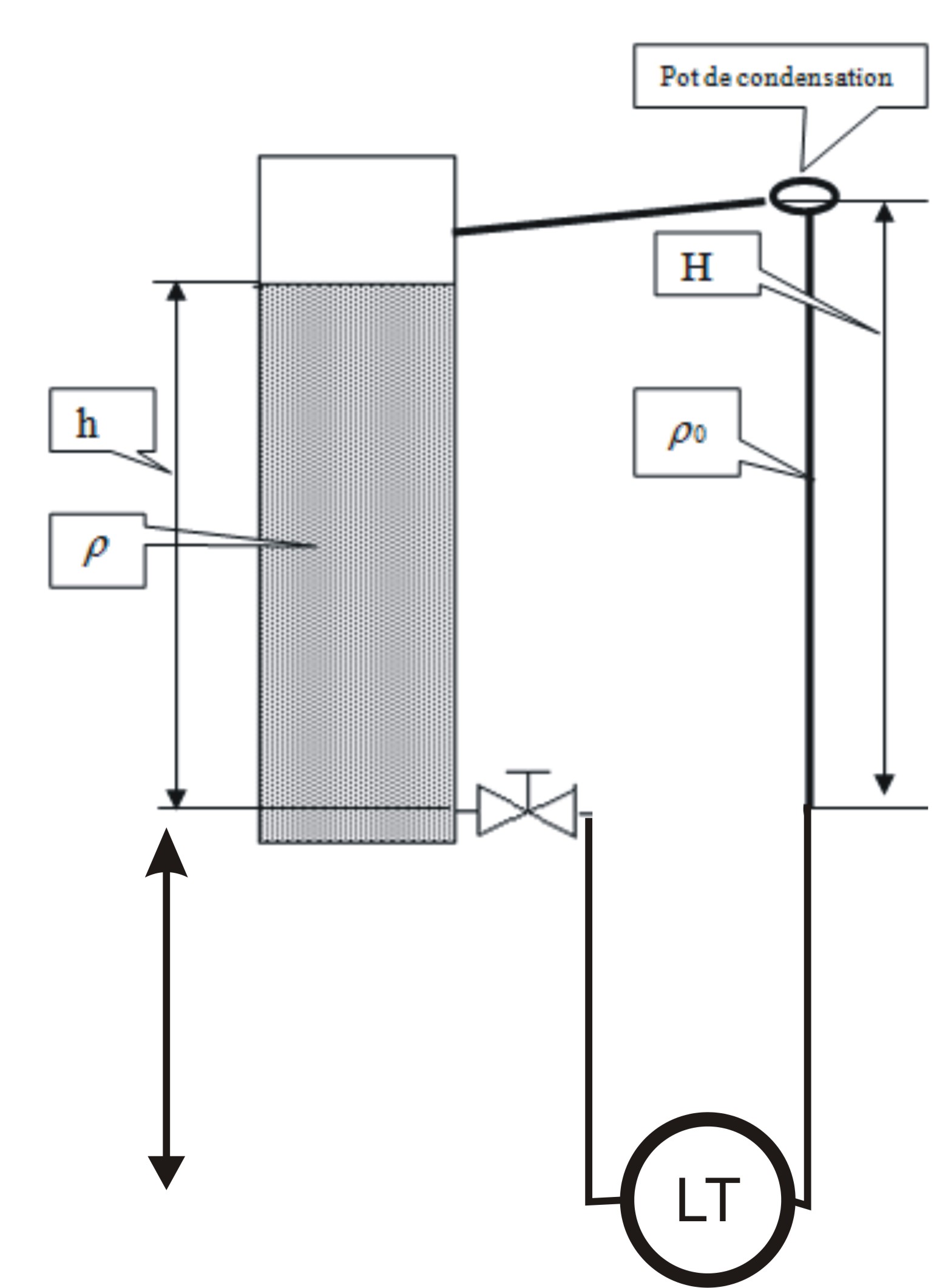
Bonjour autoramzi, Un rappel sur les expressions utilisées pour les transmetteurs de pression différentielle : Début d'échelle (LRV) -34.8 mbar => -3480 Pa Fin d'échelle (URV) -12.2 mbar => - 1220 Pa Etendue d'échelle (URV - LRV) 22.6 mbar => 2260 Pa Décalage du zéro -34.8 mbar => -3480 Pa Pour le calcul de l'échelle du transmetteur de niveau par pression hydrostatique, on utilise la formule suivante: P = h * ro * g avec P : pression hydrostatique en Pascal h : hauteur en mètre ro : masse volumique du fluide en kg/m3 g : gravité = 9.81 m/s Pour obtenir l’échelle de pression du transmetteur, il faut : (voir piéce jointe) - Calculer la pression coté BP BP = H * roo * g 3480 = H * 1000 * 9.81 => H = 0.354 mètre - Calculer la pression coté HP HP = h *ro * g si h=H 2260 = 0.354 * ro *9.81 => ro = 650 kg/m3 si ro=roo 2260 = h * 1000*9.81 => h = 0.230 mètre - Calculer = HP - BP -3480 - 2260 = -1220 Pa => -12.20 mbar Bon courage. Feuillent M.
il y a 14 ans
Inscrit depuis 22ans TNELLIUEF

TNELLIUEF «Enseignant»

Bonjour autoramzi, Je renvoie la piéce jointe qui apparemment n'est pas passée correctement. Feuillent
il y a 13 ans
Inscrit depuis 16ans hamidouki

hamidouki «Technicien instrumentation»

bonjour Comment définis t'on les masses volumiques selon notre échelle du 0% a 100% pour HP ? en recalculant la masse volumique de la HP on prenant en considération la hauteur du niveau réel !! est ce que c'est juste ?! SVP la solution selon le shéma de Mr TNELLIUEF et dans le cas d'une élevation de la HP aussi ???