mesure de conductivité

3 RÉPONSES https://instrumexpert.com/web/forum-topic/mesure-de-conductivite-1 https://instrumexpert.com/web/images/default-background-actualite.jpg
Sujet

mesure de conductivité

il y a 18 ans
Inscrit depuis 19ans pawlak

pawlak «Etudiant»

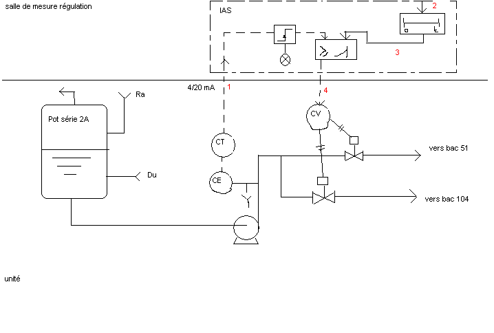
Bonjour a tous je vous joint un schéma de l'instalation c'est une mesure de conductivité de l'eau : CE est une sonde inductive rosemount model 228 CT est un analyseur de conductivité rosemount modele 54e C 1: mesure conductivité 2: comande ouverture 3: minuterie 4: cdm vannes Je voudrait savoir ce q'est le IAS et comment sa marche , je sait juste que c'est une conduite centralisé. Si vous pouvez marporter des renseignement sur le fonctionnement d'un conduite centralisé et a quoi sert le front montant et la minuterie je vous en serai reconnaisant
il y a 18 ans
Inscrit depuis 19ans pawlak

pawlak «Etudiant»

personne ne peut répondre? j'ai quelques info en plus : le bloc avec un front montant c'est un commutateur haut la diode en dessous c'est l'alarme haute de conductivité 2 : commande manuelle de commutation 3 : minuterie porte OU Mais je ne voit pas toujour comment sa marche C'est une conduite centralisé avec des carte E/S . Si quelqu'un peut m'xpliquer merci
il y a 18 ans
Inscrit depuis 19ans Vi3W

Vi3W «Resp. instrumentation»

Bonjour, L'IAS est un système de régulation de température qui se trouve dans un automate (ex. Foxboro). CT = sonde de température en 4-20mA (analogique) La mesure de température de conduite se fait sur front montant par une minuterie pré-règlée. La mesure va vers le comparateur en entrée du système. Un calcul est fait : consigne - mesure = erreur (e) si e>0 alors l'IAS ouvre les vannes de régulations (CV) pour refroidir la conduite. si e<0 l'IAS ferme les vannes. Les vannes s'ouvrent et se ferment que sur le front montant de l'horloge de la minuterie. Je suis pas sur à 100% le schéma me semble incomplet, il manque des élements pour en dire plus. Salutation.
il y a 18 ans
Inscrit depuis 19ans elgogo

elgogo «Etudiant»

Bonjour, IAS = Industrial Application Server Il permet de gérer les applications de supervision. Sur ton schéma, comme le dit Vi3W, il manque très probablement des infos dans la partie régulation (IAS) pour que l'on puisse t'aider précisement. Je suis d'accord avec Vi3W sauf pour son calcul C-M=E, car on ne connait pas le sens d'action du procédé => on ne peut pas déterminer le sens d'action du comparateur. Il faudrait que l'on sache si les 2 vannes s'ouvrent ou se ferme quand il y a une variation de la conductivité. Cordialement,