Lame vibrante avec DCS

5 RÉPONSES https://instrumexpert.com/web/forum-topic/lame-vibrante-avec-dcs https://instrumexpert.com/web/images/default-background-actualite.jpg
Sujet

Lame vibrante avec DCS

il y a 13 ans
Inscrit depuis 18ans ciengineer

ciengineer «Technicien instrumentation»

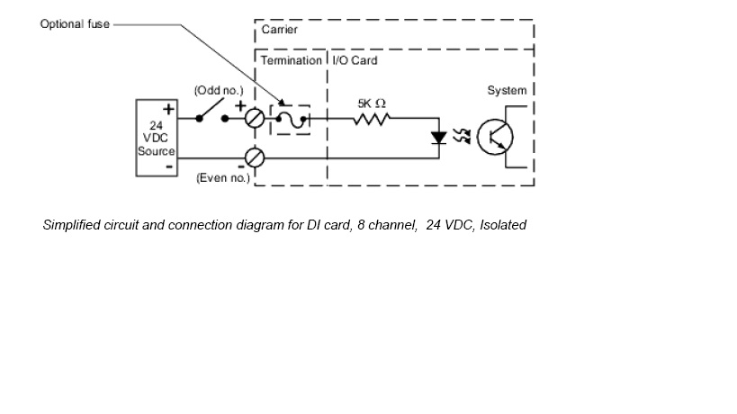
Bonjour, j'ai un level switch à lame vibrante de marque Rosemount (model 2110 type NPN). le level switch fonctionne correctement lorsque il est alimenté mais non connecté au DCS. lorsque je branche le level switch sur la carte DI, l'indicateur du level switch clignote (d'après le manuel de level switch: load too high). NB: la carte DI est de type isolé (la carte détecte le changement d'état par la détection d'une tension 24VDC externe). merci pour votre aide
il y a 13 ans
Inscrit depuis 16ans philou85

philou85 «Technicien instrumentation»

Bonjour, Pourriez-vous mettre le schéma de câblage de l'installation car il est difficile de proposer une solution? On peut supposer que le câblage est celui proposer à la page A-4 du level switch. Merci par avance.
il y a 13 ans
Inscrit depuis 18ans ciengineer

ciengineer «Technicien instrumentation»

Bonjour et merci pour votre réponse Exactement j'ai câblé le level switch conformément au figure 1-4 modèle à sortie PNP. Ci-joint vous trouverez le schéma de câblage
il y a 13 ans
Inscrit depuis 16ans philou85

philou85 «Technicien instrumentation»

Re-bonjour, J'ai déjà installé des lames vibrantes sur un API et le montage était le suivant. Bonne réception
il y a 13 ans
Inscrit depuis 18ans ciengineer

ciengineer «Technicien instrumentation»

C exactement c que j'ai déjà fais comme schéma de câblage. j'ai une doute par rapport à la résistance de la carte digital input (résistance insuffisante)
il y a 13 ans
Inscrit depuis 16ans philou85

philou85 «Technicien instrumentation»

Effectivement on peut émettre un doute sur la résistance totale de la ligne jusqu'à l'automate. Il faudrait faire une mesure de tension lorsque les lames sont à vide et lorsqu'elles sont couvertes. Cela permettra peut-être de confirmer le défaut de sur charge. Dans la notice, il est spécifié que la chute de tension entre les bornes 2 et 3 doit être inférieure à 3V. A voir par là